TRILDEMPER TYPE C D10 H10 M3
Omschrijving
Trildemper type C, diameter 10mm hoogte 10mm M3
Cilindrische rubber-metaal trillingsdempers van het type C zijn leverbaar van Ø6mm tot en met Ø200mm en in hoogtes van 7mm tot en met 100mm
Aan beide zijden voorzien van een draadbus (inwendige draad)
Draadbussen (metrisch) van M3 tot en met M20
Temperatuurbestendig van -30°C tot +80°C
Demping in axiale richting
Algemeen toepasbaar voor reductie van trillingen en het geluidsniveau van o.a. motoren, compressoren, ventilatoren, pompen en schakelkasten.
Materiaal: Rubber delen: NR (Natuurrubber) Shore A 55° ±5% (middelhard), Metaaldelen - Staal verzinkt (St37) of RVS AISI 304 (A2)
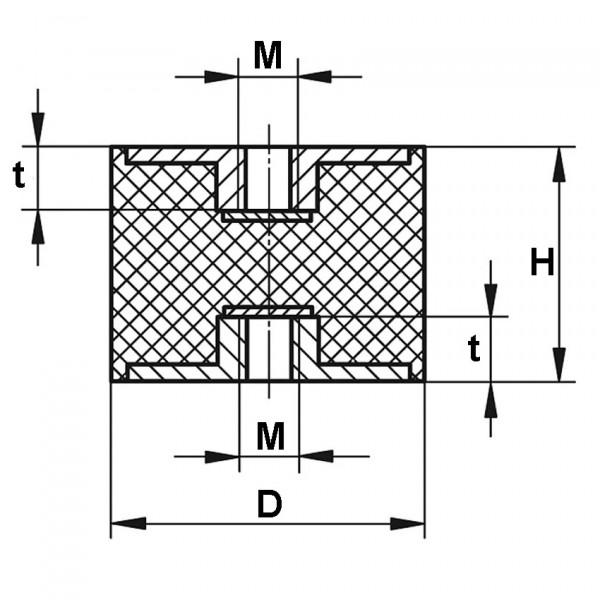
Maatvoering;
D :10
H :10
M :M 3
Cilindrische rubber-metaal trillingsdempers van het type C zijn leverbaar van Ø6mm tot en met Ø200mm en in hoogtes van 7mm tot en met 100mm
Aan beide zijden voorzien van een draadbus (inwendige draad)
Draadbussen (metrisch) van M3 tot en met M20
Temperatuurbestendig van -30°C tot +80°C
Demping in axiale richting
Algemeen toepasbaar voor reductie van trillingen en het geluidsniveau van o.a. motoren, compressoren, ventilatoren, pompen en schakelkasten.
Materiaal: Rubber delen: NR (Natuurrubber) Shore A 55° ±5% (middelhard), Metaaldelen - Staal verzinkt (St37) of RVS AISI 304 (A2)
Maatvoering;
D :10
H :10
M :M 3




