BEVESTIGINGSRING / VLOER /SJOROOG + ONDERPLAAT
Omschrijving
Vloeroog, vloeranker, sjoroog of bevestigingshaak. Voor het eenvoudig vast zetten van uw lading. Het vloer oog wordt in de bodem van uw aanhangwagen geplaatst en wordt bevestigd d.m.v. van schroeven. Om uw lading goed en veilig te vervoeren, moet deze goed worden vastgezet. Vloerogen zijn er in verschillende maten en uitvoeringen. De bevestiging is prima zelf uit te voeren
Kenmerken;
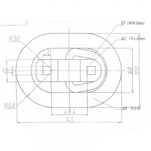
- Bevestigingsgaten hart tot hart: 60 mm
- Lengte bindhaak: 60 mm
- Geschikt voor slotbouten met schroefdraad M10
- Inclusief inbouwschaal
Kenmerken;
- Bevestigingsgaten hart tot hart: 60 mm
- Lengte bindhaak: 60 mm
- Geschikt voor slotbouten met schroefdraad M10
- Inclusief inbouwschaal




